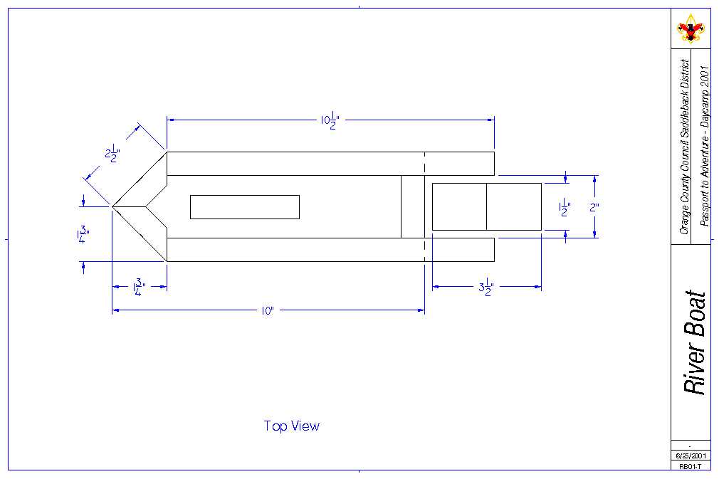
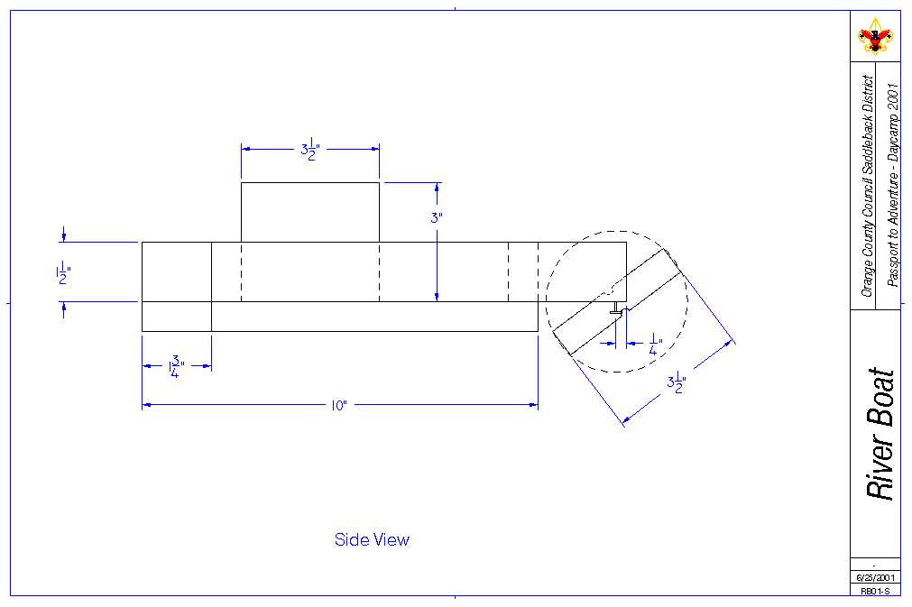
Riverboat Drawings

Day Camp Home


Step by step pictures and instructions.

Step by step pictures and instructions in a zip file.  245KB


JPG copies of the drawings

Side View    32KB
End View    23KB
Top View    31KB


Autocad copies of the drawings

riverboat.dwg  AutoCAD LT 98 DWG    457KB
riverboat.dxf  DXF format    1,047KB

Email to: Webmaster
Sitemap

7/4/2001